樱桃APP下载股份

咨询服务热线: 15222906608
仪表电缆自动化成套 压力樱桃视频污下载\差压樱桃视频污下载\温度樱桃视频污下载\液位樱桃视频污下载等
banner

热门关键字:

全国服务热线

15222906608
压力樱桃视频污下载

压力樱桃视频污下载

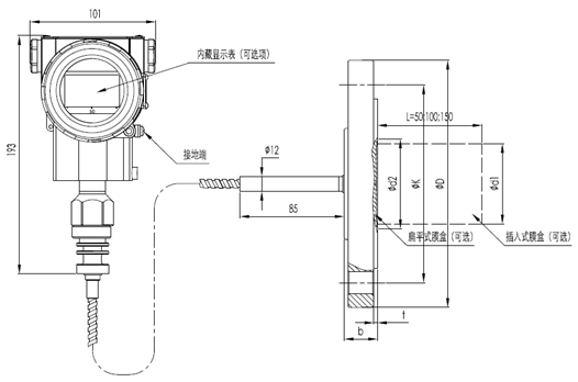
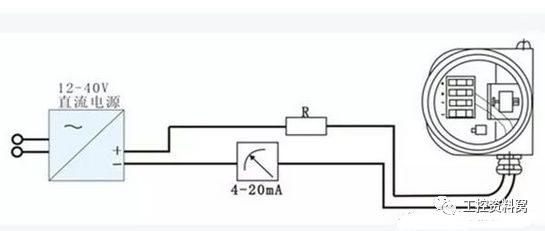
压力樱桃视频污下载是一种将压力转换为气动信号或电信号的装置,用于控制和远程传输。它可以将测压元件传感器检测到的气体和液体等物理压力参数转换成标准...
绝对压力远程樱桃视频污下载

绝对压力远程樱桃视频污下载

产品概述: 上海朝晖PT124B-3051GR(AR)差压远程传输樱桃视频污下载的波纹管用于防止管道中的介质直接进入樱桃视频污下载的压力传感器组件。压力通过填充液体如硅油在波纹管...
功率樱桃视频污下载的校准方法和步骤是什么?-信达

功率樱桃视频污下载的校准方法和步骤是什么?-信达

功率樱桃视频污下载的校准方法和步骤是什么?众所周知,电量樱桃视频污下载的定期校准和验证可以保证电量樱桃视频污下载的质量。甲类电量樱桃视频污下载可每年校验一次,丙类电量变...
耐腐蚀性和防爆性压力樱桃视频污下载

耐腐蚀性和防爆性压力樱桃视频污下载

产品概述: PT124B-281智能防爆压力樱桃视频污下载,采用压阻式传感器核心,外壳为不锈钢外壳,外壳防护等级为IP65,具有液晶显示、耐腐蚀、宽范围温度补偿、良好...
迈克传感器特殊气体测量系列压力樱桃视频污下载

迈克传感器特殊气体测量系列压力樱桃视频污下载

特殊气体的压力测量 在工业中,在常温常压下呈气态的产品统称为气态产品,包括氢、氧、氮、氦、氖、氪、氩、氙、氯、一氧化碳等。根据气体的性质,...
安徽朗辉工业智能仪表带您了解朗辉压力樱桃视频污下载

安徽朗辉工业智能仪表带您了解朗辉压力樱桃视频污下载

压力樱桃视频污下载是一种将压力转换为气动信号或电信号的装置,用于控制和远程传输。它可以将测压元件传感器检测到的气体和液体等物理压力参数转换成标准...
网站地图