本文当液位樱桃视频污下载信号输出时的温度漂移处理资料由优质樱桃视频污下载生产报价厂家为您提供。
传感器技术日益成熟,在工业过程控制中得到广泛应用。尽管传感器制造技术发展迅速,但传感器(敏感器件)输出的信号仍存在温度漂移等问题。各种传感器都有零点和灵敏度温度漂移。必须减小漂移,以满足检测和控制的精度要求。各种传感器仍然存在非线性问题,因此有必要对传感器输出的信号进行线性化。大多数传感器的输出信号相对较小,尤其是金属薄膜传感器。输出信号必须经过放大和标准化。发射机信号调理电路的设计可以解决上述问题。
在液位樱桃视频污下载的开发和应用中,经常会遇到所需发射机的输出不同于现有发射机的输出,或者用户现有发射机的输出不能满足新的要求,这就需要改变发射机的原始输出。为了满足不同客户的需求,需要不同输出的樱桃视频污下载。例如,作为2类仪表,标准输出大多为0 ~ 10mA或0 ~ 10V,而目前使用的3类仪表为4 ~ 20mA或1 ~ 5V。如何在它们之间进行转换是樱桃APP下载必须解决的问题。
1 液位樱桃视频污下载发射机信号调理电路的设计
1.1温度漂移的处理
传感器的温度漂移可分为零温度漂移和灵敏度温度漂移。零温度漂移指的是当传感器不处于压力下时,由输出温度变化引起的漂移。在传感器的应用中,常采用恒流供电。零点及其温度漂移的补偿方法可以是电阻串并联法。图1所示的电路可以有效地解决零温度漂移的问题。

对于恒流电源电桥电路的传感器,灵敏度温度补偿常用的电路如图2所示。在电阻网络中,电阻RT是一个具有相同温度系数和灵敏度温度漂移的热敏电阻,电阻Rs、Rp和Rz是温度系数可以忽略不计的电阻,用于调节电阻Rt的温度系数。在一定的温度范围内,由上述零点和灵敏度补偿的传感器输出信号可以视为与温度变化无关。
1.2放大和非线性处理
任何力敏传感器的非线性分为大小,正和负。信号处理和传输应线性化,使最终信号和液位成线性关系。根据非线性的大小和正负来设计线性化电路。线性化可以在信号处理的不同阶段进行,有些在模拟信号阶段,有些在数字信号阶段。
在图3的电路中,在引脚12和引脚6连接后,可以通过调整电阻R8来调整正非线性。在引脚12连接到引脚1后,可以通过调整电阻R8来调整负非线性。

对于一般应用要求的精度(0.5% fs0),在适当的范围内使用简单的正反馈校正就足够了。当小范围的传感器应用于大范围时,非线性将增加。有时用简单的正反馈校正很难线性化。最好采用数字线性化方法或多点校正方法。
对于输出信号非常小(甚至只有几毫伏)的传感器,当使4 ~ 20mA 液位樱桃视频污下载时,可以使用具有优异性能的仪表放大器(如INA118)来设计满足要求的液位樱桃视频污下载电路,同时充分考虑温度补偿、线性化、放大和输出。
也可以应用樱桃视频污下载电路模块,例如美国BB公司的产品xTR106。具体电路如图3所示。经过长期运行,用该电路组装的樱桃视频污下载在各个方面都具有良好的性能,包括W1调零、W2量程调节、R3灵敏度温度漂移调节和R8线性调节。


2 液位樱桃视频污下载樱桃视频污下载输出转换
2.1 4~20mA转换到0 ~ 5V转换电路采用OP295放大器的OP295是一种低噪声、高精度的双运算放大器电路,可以输入和输出正负信号。单电源工作在3 ~ 36V,低失调电压为300 μ V,高开环增益为1000伏/毫伏。每个放大器的最大电源电流为150μA,输出电流为18mA,工作温度为-40 ~ 125℃。这是一个非常好的放大器。
用OP295放大器将4 ~ 20mA转换为0 ~ 5v的原理图如图4所示。R1是一个采样电阻,W1和W2分别是用于调零和全调的电位器,二极管组用于共模调节,8V电压可通过LM317获得。该电路易于组装和调试,精度高。
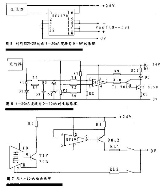
采用BB公司RCV420的转换电路RCV420是BB公司的产品。它能把4 ~ 20ma转换成0 ~ 5v。额定电源电压为15 V,静态电流为3mA,工作温度范围为-55 ~ 125℃。虽然手册中给出的电源是双电源,但也可以应用于0 ~ 24 V的单电源,非常方便,应用时不需要增加外部元件(见图5)。2.2 4 ~ 20mA至0 ~ 10mA和4 ~ 20mA至0 ~ 10mA的电路如图6所示。该电路虽然复杂,但性能稳定可靠。
假设R1上的电压降(采样电压)为V1,则推断流过R1的电流为I =(V1)/R11。显然,如果液位樱桃视频污下载樱桃视频污下载在0时输出4mA,则采样电阻在250ω时的压降为1V,因此I=0。如果液位樱桃视频污下载樱桃视频污下载输出为20mA,Vi=5V,则I=(1)/R11。如果选择合适的R11,可以获得1 = 10mA。
2.3双4 ~ 20mA输出
有时,为了应用方便,a 液位樱桃视频污下载樱桃视频污下载需要两个或更多的4 ~ 20mA输出。图7显示了实际应用中非常成功的解决方案。实际电路由OP295和9015PNP管组成,R1输出调整到4 ~ 20ma,形成双4 ~ 20ma输出。该电路输出稳定可靠。
结论
本文介绍的液位传感器信号调理电路和各种樱桃视频污下载的转换电路是作者实际工作的总结。通过多年的实际应用,证明该方法设计的液位樱桃视频污下载性能优良,运行可靠。
《当液位樱桃视频污下载信号输出时的温度漂移处理》本文地址:http://www.xxshdjd.com/news/js/863.html 转载请勿删除!
全国服务热线