樱桃APP下载股份

咨询服务热线: 15222906608
仪表电缆自动化成套 压力樱桃视频污下载\差压樱桃视频污下载\温度樱桃视频污下载\液位樱桃视频污下载等
banner

仪表压力远程樱桃视频污下载-

返回列表 来源:樱桃APP下载股份 发布日期:2020-06-23 11:09

本文仪表压力远程樱桃视频污下载-资料由优质樱桃视频污下载生产报价厂家为您提供。

 

产品概述:

上海朝晖PT124B-3051GR(AR)用于测量液体、气体或蒸汽的液位、密度和压力,然后将其转换成4 ~ 20毫安的电流信号输出。还可以与RST375手持终端或RSM100调制解调器通信,以设置参数和监控过程。PT124B-3051GR表压/绝对压力远程樱桃视频污下载(未迁移时)的测量范围为0-6千帕~ 25兆帕,远程法兰的额定压力分别为1.6/4兆帕、6.4兆帕、10兆帕、150磅/平方英寸、300磅/平方英寸或600磅/平方英寸。

工作原理和结构

PT124B-3051GR(AR)表压/绝对压力远传樱桃视频污下载的结构由PT124B-3051GR(AR)系列表压/绝对压力樱桃视频污下载和带毛细管的焊接远传法兰组成。其工作原理与PT124B-3051GR(AR)系列表压/绝对压力樱桃视频污下载(见PT124B-3051GR(AR)系列表压/绝对压力系列樱桃视频污下载技术规范)相同,只是压力传递路径略有不同:作用在远传法兰上的压力首先通过隔膜并充注远传法兰上的液体,然后通过毛细管,最后到达测量传感器的测量端

技术规格:

测量参数:表压、绝对压力和液位

测量范围(无偏移):0-6千帕~ 40兆帕

准确度:0.1%

液体接触膜:不锈钢316升,哈氏合金碳,钽

输出:双线系统,4 ~ 20madc,可选HART输出数字通信。

环境温度:最低:取决于灌装液体:最高:85℃,带液晶显示器和氟橡胶密封圈-20 ~ 65℃

工艺介质的温度极限为-30 ~ 400℃

防护等级:IP67

电气连接:M20X1.5电缆密封扣,端子适用于0.5 ~ 2.5 mm2电线。(图见附件)

过程连接:远程法兰符合美国国家标准协会标准或德国标准。可以直接安装。

安装条件:无毛细管的表压/绝对压力远程樱桃视频污下载可通过远程传输法兰直接安装,位置偏差会产生可校正的零点偏移。电子表表壳可旋转360度,固定螺丝可将其固定在任何位置。

对于带毛细管的表压/绝对压力远程樱桃视频污下载,如果远程传输密封装置低于樱桃视频污下载本体,远程传输密封装置与樱桃视频污下载本体之间的最大高度差应小于5m。当工作压力低于100千帕绝对压力时,樱桃视频污下载本体必须低于远传密封装置。毛细管的最小弯曲半径为75毫米,禁止缠绕!

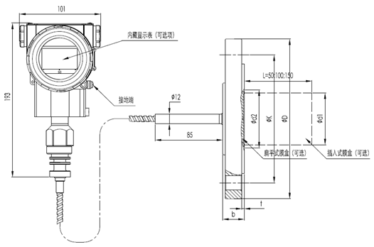
产品尺寸图

基本远程传输密封装置图

基本远程传输密封装置直接安装图

产品特性:

1.采用世界领先的高精度硅传感器技术;

2.静压性能优良,最佳静压误差≤ 0.1%/10兆帕;

3.传感器内部集成了高灵敏度温度传感器,樱桃视频污下载具有出色的温度性能。

4.快速响应速度。

电气连接图

上海朝晖[压力樱桃视频污下载]相关产品:

产品型号产品名称

PT124G-111经济型直杆熔体压力传感器

PT124G-111T经济型直杆温度和压力集成熔体传感器

PT124G-112替代进口直杆式熔体压力传感器

PT124G-112T替代进口直杆温压集成熔体传感器

PT124G-113环保型直杆熔体压力传感器

PT124G-113T环保型直杆温压一体化熔体传感器

PT124G-116法兰直杆熔体压力传感器

PT124G-121软管经济型熔体压力传感器

PT124G-121T软管经济温度和压力集成熔体传感器

PT124G-123T替代进口软管式温压熔体传感器

PT124G-123取代进口软管熔体压力传感器

PT124G-122环保软管熔体压力传感器

PT124G-122T环保型软管温度和压力集成熔体传感器

PT124G-125防爆软管熔体压力传感器

PT124G-125T防爆软管温度和压力集成熔体传感器

PT124G-126法兰软管熔体压力传感器

PT124G-128薄膜腔熔体压力传感器

PT124B-111经济型直杆熔体压力樱桃视频污下载

PT124B-111T经济型直杆温压熔体樱桃视频污下载

PT124B-121软管经济熔体压力樱桃视频污下载

PT124B-121T软管经济温度和压力集成熔体樱桃视频污下载

PT124B-112替代进口直杆熔体压力樱桃视频污下载

PT124B-112T替代进口直杆温压整体熔体樱桃视频污下载

PT124B-123替代进口软管熔体压力樱桃视频污下载

PT124B-123T替代进口软管式温压熔体樱桃视频污下载

PT124B-113环保型直杆熔体压力樱桃视频污下载

PT124B-113T环保型直杆温度压力一体化熔体樱桃视频污下载

PT124B-122环保软管熔体压力樱桃视频污下载

PT124B-122T环保型软管温度和压力集成熔体樱桃视频污下载

PT124B-115防爆熔体压力樱桃视频污下载

PT124B-129智能数字显示熔体压力樱桃视频污下载

PT124B-129T智能数字显示温度和压力集成熔体樱桃视频污下载

PT124B-116法兰型直杆的熔体压力樱桃视频污下载

PT124B-126法兰软管的熔体压力樱桃视频污下载

PT124B-125防爆软管熔体压力樱桃视频污下载

PT124B-125T防爆软管温度和压力集成熔体樱桃视频污下载

PT124B-128薄膜腔的熔体压力樱桃视频污下载

PT124B-112D一键复位直杆熔体压力樱桃视频污下载

PT124B-123D一键复位软管熔体压力樱桃视频污下载

PT124B-123DT单键透明软管式温压整体熔体樱桃视频污下载

PT124G-210标准工业压力传感器

PT124G-211微熔工业控制压力传感器

PT124G-213陶瓷工业控制压力传感器

PT124G-214平板薄膜工业压力传感器

PT124B-210标准工业控制压力樱桃视频污下载

PT124B-211微熔工业控制压力樱桃视频污下载

PT124B-214喷射泵压力樱桃视频污下载

PT124B-212扩散硅工业控制压力樱桃视频污下载

PT124B-213陶瓷工业控制压力樱桃视频污下载

PT124B-214平板薄膜工业控制压力樱桃视频污下载

PT124B-215全焊接本质安全防爆工业控制压力樱桃视频污下载

PT124B-216LCD数字显示工业控制压力樱桃视频污下载

PT124B-217夹钳式工业控制压力樱桃视频污下载

PT124B-218中高温工业控制压力樱桃视频污下载

PT124B-219防腐船用工业控制压力樱桃视频污下载

PT124B-220输入公式液位樱桃视频污下载

PT124B-221数字显示输入类型液位樱桃视频污下载

PT124B-222插入液位樱桃视频污下载

PT124B-223快速塞封液位樱桃视频污下载

PT124B-224耐腐蚀性液位樱桃视频污下载

PT124B-225电容液位樱桃视频污下载

PT124B-280标准防爆压力樱桃视频污下载

PT124B-281耐腐蚀防爆压力樱桃视频污下载

PT124B-282智能防爆压力樱桃视频污下载

PT124B-283平面膜防爆压力樱桃视频污下载

PT124B-284夹具防爆压力樱桃视频污下载

PT124B-285中高温防爆压力樱桃视频污下载

PT124Y-610直杆高温熔体压力计

PT124Y-612带传输输出的直杆式熔体压力计

PT124Y-613直杆磁接触压力表

PT124Y-614软管熔体压力表

PT124Y-615软管带输出熔体压力表

PT124Y-615T挠性管温压一体化熔体压力计

PT124Y-616带触点的磁组输出压力表

PT124Y-617法兰熔体压力表

PT124Y-620标准隔膜压力表

PT124Y-621耐高压冲击隔膜压力表

PT124Y-622压板防震隔膜压力表

PT124Y-623卡扣式防震隔膜压力表

PT124Y-624法兰防震隔膜压力表

PT124Y-625抗震轴向安装隔膜压力表

PT124Y-627圆柱形压力表

PT124B-2501灌浆传感器

PT124B-2503灌浆传感器

PT124B-2504灌浆传感器

PT124B-2511土压传感器

PT124B-2512土压传感器

PT124B-2513土压传感器

PT124B-2521压裂车专用压力传感器(联管传感器)

PT124B-230专用空调压力樱桃视频污下载

PT124B-231专用空调压力樱桃视频污下载

PT124B-232压缩机特定压力樱桃视频污下载

PT124B-233压缩机特定压力樱桃视频污下载

PT124B-234压缩机特定压力樱桃视频污下载

PT124B-235压缩机专用压力樱桃视频污下载

PT124B-240电子发动机机油压力樱桃视频污下载

PT124B-241燃油泵压力传感器

汽车ABB系统的PT124B-242 压力樱桃视频污下载

PT124B-243汽车燃油缸高压共轨压力樱桃视频污下载

PT124B-244 压力樱桃视频污下载

PT124G-650数显隔膜压力表

PD9001智能PID控制仪

N70智能压力显示仪

N80智能压力显示仪

N90智能压力显示仪

N60智能压力温度显示仪

N50智能压力温度显示仪

N10智能压力和温度显示仪

WR-200工业温度传感器

WR-201工业温度传感器

WR-202工业温度传感器

WR-203工业温度传感器

BP1010挤出机的爆破阀

BP1020螺栓式爆破阀

GPD35煤矿压力传感器

GUY5煤矿料位传感器

PT124B-2506灌浆压力传感器

PT124B-2507灌浆密度传感器

PT124B-626灌浆隔膜压力表

VEF310-40集成电磁流量计

PT124B-100高温蒸汽压力传感器

上海朝晖订购说明:

1.订购时请注明型号、名称、测量范围、接头螺纹尺寸和精度等级。

2.如果您有任何特殊要求,请在订购时说明。

3.订单应以书面形式发送给上海朝晖压力仪器(对方销售人员可传真或电子邮件)。樱桃APP下载接受口头订单。樱桃APP下载公司将向您发送销售确认书,并需要您的书面确认。如有必要,可以签订相关合同。特殊订单可以通过与樱桃APP下载的销售人员直接谈判来解决。

4.收到您的订单后,樱桃APP下载将在三个工作日内发送确认函,并附上樱桃APP下载的标准产品销售条款。

产品运输方式:

运输方式可由用户选择或双方同意。如果您选择自己的运输方式,用户需要提供运输公司的名称、电话号码、传真号码和其他所需信息。

 

《仪表压力远程樱桃视频污下载-》本文地址:http://www.xxshdjd.com/news/js/855.html 转载请勿删除!

全国服务热线

15222906608
网站地图